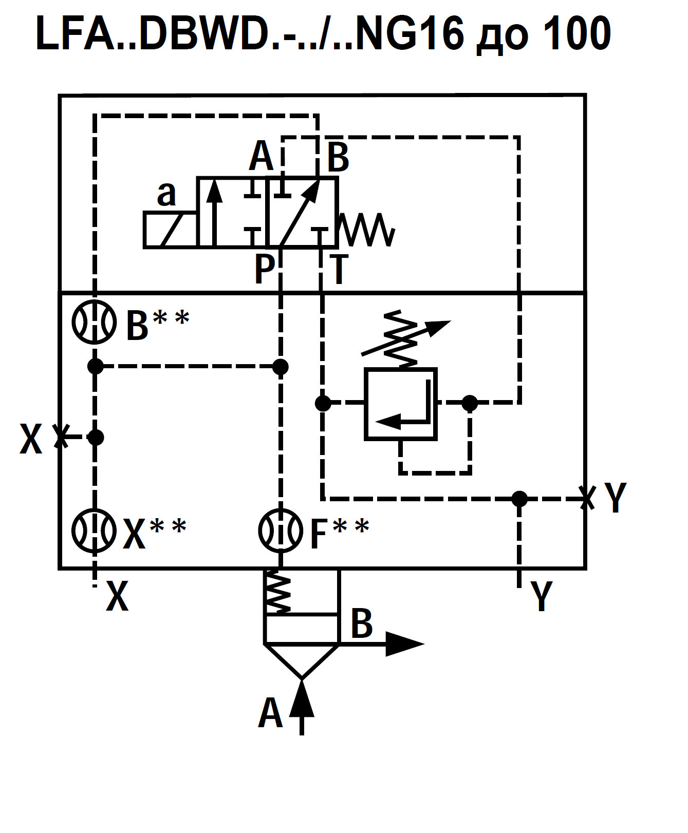
LFA50DBWD2-7X/315 - Крышка для логического клапана, типоразмер Ду50 функционал - DBWD2 = крышка с предохранительным клапаном с ручной настройкой с функцией запирания, под установку распределителя Ду6, два выхода X и Y, элемент регулировки - винт под шести
0
22 728.93 ₽
Рассчитать доставку
Нашли дешевле?
Гарантия 5 лет
Характеристики
Макс. класс чистоты масла по ГОСТ 17216
:
13
Взаимозаменяем с: Код Рексрот
:
LFA50DBWD2-7X/315
Стандарт монтажа
:
ISO 7368
Альтернатива Бренду
:
Bosch Rexroth
Цена действительна только для интернет-магазина и может отличаться от цен в розничных магазинах
Клапан LFA50DBWD2-7X/315 выполнен в виде крышки для картриджа типоразмера Ду50 для установки на гидроблок по стандарту DIN ISO 7368. Гидроклапан LFA50DBWD2-7X/315 служит для реализации функции редуцирования давления для больших величин расходов, то есть выполняет функции редукционного клапана в совокупности со вставкой LCДу50DB. Крышка логического элемента LFA50DBWD2-7X/315 имеет тип DBWD2 = крышка с предохранительным клапаном с ручной настройкой с функцией запирания, под установку распределителя Ду6, два выхода X и Y, элемент регулировки - винт под шестигранник с защитным колпачком, уплотнительные кольца выполнены из материала NBR. Диапазон настройки давления до 315 бар. Клапаны LFA50DBWD2-7X/315 производятся в Китае на ведущем заводе-изготовителе гидроаппаратуры, с которым сотрудничает магазин Гидроответ, и являются качественными аналогами одноименного клапана известного немецкого бренда.
Более подробнее про качество предлагаемых аналогов просим ознакомиться здесь.
Загрузка отзывов...
Макс. класс чистоты масла по ГОСТ 17216
13
Взаимозаменяем с: Код Рексрот
LFA50DBWD2-7X/315
Стандарт монтажа
ISO 7368
Альтернатива Бренду
Bosch Rexroth
Взаимозаменяем с артикулом Рексрот*
R900973480
Страна производства
Китай
Доставка
По России и Беларуси. Отвозим до терминала г. Екатеринбург ТК Деловые линии, СДЭК, Major БЕСПЛАТНО
Срок поставки от производителя:
60 дней
Срок поставки, если нет на складе
69 дней
Макс. давление, бар
420
Материал уплотнений
NBR
Вес в кг
17.3
Габариты в см
14x22x7
Типоразмер
Ду50
Макс. давление регулировки, бар
315
Тип монтажа
на плиту (притычной)
Тип
DBWD2
Артикул
LFA50DBWD2-7X/315
Гарантия
12 месяцев с даты отгрузки при условии соблюдения инструкции по эксплуатации
Оплачивайте покупки удобным способом. В интернет-магазине доступно 3 варианта оплаты:
- Наличные при самовывозе или доставке курьером. Специалист свяжется с вами в день доставки, чтобы уточнить время и заранее подготовить сдачу с любой купюры. Вы подписываете товаросопроводительные документы, вносите денежные средства, получаете товар и чек.
- Безналичный расчет при самовывозе или оформлении в интернет-магазине: карты МИР, Visa и MasterCard. Чтобы оплатить покупку, система перенаправит вас на сервер системы ASSIST. Здесь нужно ввести номер карты, срок действия и имя держателя.
- ЮMoney при онлайн-заказе. Для совершения покупки система перенаправит вас на страницу платежного сервиса. Здесь необходимо заполнить форму по инструкции.
Экономьте время на получении заказа. В интернет-магазине доступно 4 варианта доставки:
- Курьерская доставка работает с 9.00 до 19.00. Когда товар поступит на склад, курьерская служба свяжется для уточнения деталей. Специалист предложит выбрать удобное время доставки и уточнит адрес. Осмотрите упаковку на целостность и соответствие указанной комплектации.
- Самовывоз из магазина. Список торговых точек для выбора появится в корзине. Когда заказ поступит на склад, вам придет уведомление. Для получения заказа обратитесь к сотруднику в кассовой зоне и назовите номер.
- Постамат. Когда заказ поступит на точку, на ваш телефон или e-mail придет уникальный код. Заказ нужно оплатить в терминале постамата. Срок хранения — 3 дня.
- Почтовая доставка через почту России. Когда заказ придет в отделение, на ваш адрес придет извещение о посылке. Перед оплатой вы можете оценить состояние коробки: вес, целостность. Вскрывать коробку самостоятельно вы можете только после оплаты заказа. Один заказ может содержать не больше 10 позиций и его стоимость не должна превышать 100 000 р.