Бренды
Услуги
  • Шеф-монтаж
  • Наладка и регулировка
  • Диагностика гидросистем
  • Техническое обслуживание
Компания
  • О компании
  • Блог
    • Блог
  • Нас рекомендуют
Информация
  • Реквизиты
  • Представительства
  • Проекты
    • Реализованные проекты для Северстали
      • Поставка вальцешлифовального станка
      • Токарно-фрезерный станок
      • Модернизация Системы ГНУ стана 5000
      • Нагревательная печь стана 5000
      • Технологическая линия: АНГА
      • Ножницы продольной резки листа в линии резки стана 5000
      • Клапаны для доменной печи
      • Машины литейного двора доменной печи
      • Вращающийся распределитель шихты
      • Система измерения уровня засыпи доменной печи
      • Маркировщик раскатов в линии стана 5000
    • Реализованные проекты для НЛМК
      • Засыпное устройство доменной печи
      • Клапаны для доменной печи
      • Ножницы циркулярные
    • Реализованные проекты для ЦЕМРОС
      • Двигатель горизонтальной мельницы 7000kW для привода цементной мельницы
      • Редуктор вертикальной мельницы
    • Реализованные проекты для Уральской стали
      • Электровоз для КХП (в комплекте с резервным двигателем YVF-110Q)
      • Клапаны для доменной печи
    • Реализованные проекты для ОМК
      • Рекуператоры для нагревательной печи
      • Рольганг 30 роликов
      • Рольганг 7 роликов
    • Реализованные проекты для Полюс
      • Поставка редуктора 2Ц3-710 для АО "Полюс Красноярск"
  • Завод ЭПРО
  • Автоматизированные системы на основе ИИ
  • Официальные дилеры
Помощь
  • Оплата
  • Доставка
  • Гарантия
Контакты
    +7 (952) 241-22-85
    +7 (952) 241-22-85
    E-mail
    market@exima.pro
    Адрес
    Санкт-Петербург, ул. Новорощинская, д. 4, литер А,
    часть 1Н, № 670 (офис 1023-2)
    Режим работы
    с 9:00 до 18:00
    exima.market
    Цены указаны с НДС
    • Аксессуары для гидравлического оборудования
      • Проушины      
        • Проушина серии GIHN-K
        • Проушина серии GIHO-K
        • Проушина серии GIHR-K
        • Проушины GAS
    • Гидравлические насосы не регулируемые
      Гидравлические насосы не регулируемые
      • Аксиально-поршневые насосы      
        • A2FO - насос нерегулируемый с наклонным блоком для открытых систем
        • A2V - насос регулируемый с наклонным блоком для открытых, полузамкнутого и замкнутого контуров
        • A4VSO - насос регулируемый для открытых систем
        • PD (Parker) - насос регулируемый для открытых систем
        • PV (Parker) - насос регулируемый для открытых систем
        • PVB (VIckers-Eaton) - насос регулируемый для открытых систем
        • PVH (VIckers-Eaton) - насос регулируемый для открытых систем
        • PVQ (Vickers-Eaton) - насос регулируемый для промышленных систем
      • Винтовые насосы
      • Пластинчатые насосы      
        • T7*, T67*, T6* - Пластинчатые насосы (аналог Parker (Denison))
        • V - Пластинчатые насосы (аналог Vickers (Eaton))
        • VP1 - Пластинчатые регулируемые насосы (аналог PVT-210)
        • VP11 и VP22 - Пластинчатые регулируемые насосы двухпоточные (сдвоенные)
        • VP2 - Пластинчатые регулируемые насосы VP2 (аналог PVT-322)
        • БГ12 - Пластинчатый нерегулируемый насос YB-D (аналог БГ12) одиночный
        • Большие расходы - Насос пластинчатый нерегулируемый YB-D (50V) для больших подач
        • Картриджи для пластинчатых насосов
        • НПл16 - Пластинчатый нерегулируемый насос PV2R (аналог НПл*16) одиночный
        • НПл16 двухпоточный - Пластинчатый нерегулируемый насос PV2R (аналог НПл*-*16) сдвоенный
        • НПл6,3 двухпоточный - Пластинчатый нерегулируемый насос YB1 (аналог НПл *-*6,3) сдвоенный
      • Плунжерные насосы высокого давления      
        • Насосные агрегаты
        • Плунжерные насосы
        • Разгрузочные клапаны
      • Шестеренные внешнего зацепления      
        • 1P
        • ALP
        • GHP
      • Шестеренные внутреннего зацепления
    • Гидравлические насосы регулируемые
      Гидравлические насосы регулируемые
      • Аксиально поршневые насосы для открытого контура
      • Аксиально-поршневые насосы с наклонным блоком
      • Аксиально-поршневые насосы с наклонным диском
      • Аксиально-поршневые регулируемые
      • Пластинчатые регулируемые
    • Гидравлические устройства управления
      Гидравлические устройства управления
      • Взрывозащищенная гидравлика
      • Катушки, штекеры, уплотнения для клапанов      
        • Комплекты уплотнения для распределителей 4WE и 4WEH
        • Электромагниты для распределителей WE6 и WE10
        • Электроразъемы для гидравлических клапанов
      • Клапаны давления      
        • Клапаны последовательности
        • Предохранительные гидравлические клапаны
        • Редукционные клапаны
      • Клапаны расхода      
        • Дроссели гидравлические
        • Регуляторы потока
      • Модульные клапаны
      • Обратные клапаны и гидрозамки      
        • Гидрозамки
        • Обратные клапаны
      • Плиты гидравлические
      • Распределители      
        • 4WE10 - Гидрораспределитель золотниковый Ду 10 с электроуправлением
        • 4WE10 (серия 5X) - Гидрораспределитель золотниковый Ду 10 с электроуправлением
        • 4WE4 - Гидрораспределитель золотниковый Ду 4 с электроуправлением
        • 4WE5 - Гидрораспределитель золотниковый Ду 5 с электроуправлением
        • 4WE6 - Гидрораспределитель золотниковый Ду 6 с электроуправлением
        • 4WEH,,,- Гидрораспределитель с электроуправлением Ду10 - Ду32
        • 4WEH...- Гидрораспределитель с электроуправлением Ду10 - Ду32
        • 4WEMM6,10 - Гидрораспределители золотниковые Ду6, 10 с электроуправлением и ручным управлением рычагом
        • 4WMM10 - Гидрораспределитель Ду 10 с ручным управлением
        • 4WMM16, 4WMM25, 4WMM32 - Гидрораспределитель Ду 16, Ду 25 и Ду 32 с ручным управлением
        • 4WMM6 - Гидрораспределитель Ду 6 с ручным управлением
        • M-3SED10, M-4SED10 - Гидрораспределитель седельного типа Ду 10 с электроуправлением (на 350 бар)
        • M-3SED6, M-4SED6 - Гидрораспределитель седельного типа Ду 6 с электроуправлением (на 350 бар)
        • M-3SEW10, M-4SEW10 - Гидрораспределитель седельного типа Ду 10 с электроуправлением (на 420 и 630бар)
        • M-3SEW6, M-4SEW6 - Гидрораспределитель седельного типа Ду 6 с электроуправлением (на 420 и 630бар)
        • Гидравлические распределители различных модификаций
      • Реле и датчики давления      
        • HED4 - Реле давление поршневое
        • HED8 - Реле давление поршневое
        • HSZ06, HSZ10 - Плита модульная для реле давления HED8
        • Датчики давления
      • Сервоклапаны (аналоги MOOG)
      • Шаровые краны на высокое давление      
        • AF6 - запорный кран для манометра
        • Краны для манометра
        • Шаровой кран 2/2
        • Шаровой кран 2/2 на плиту
        • Шаровой кран 3/2
        • Шаровой кран 4/3
      • Электроника для пропорциональных клапанов      
        • Диагностика пропорциональных клапанов
        • Усилители внешние
        • Усилители встроенные (OBE)
      • Пропорциональные клапаны      
        • Пропорциональные гидрораспределители
        • Пропорциональные клапаны давления
        • Пропорциональные регуляторы расхода
      • Логические клапаны LC и LFA      
        • LC картридж - предохранительные клапаны
        • LC картридж - распределители
        • LC картридж - редукционные клапаны
        • LFA крышка - клапаны давления
        • LFA крышка - распределители
        • LFA крышка - с датчиками (конечными выключателями)
    • Гидромоторы
      Гидромоторы
      • Аксиально-поршневые моторы      
        • A2FE - аксиально-поршневой гидромотор нерегулируемый встраиваемого типа
        • A2FM - аксиально-поршневой гидромотор нерегулируемый с наклонным блоком
        • A4FM - аксиально-поршневой гидромотор нерегулируемый с наклонным диском
        • A6VM - аксиально-поршневой гидромотор регулируемый
      • Радиально-поршневые моторы      
        • GM - радиально-поршневые гидромоторы серии GM (альтернатива SAI Hydraulics)
        • HMB, HMC - радиально-поршневые гидромоторы серии HMB и HMC (альтернатива Kawasaki)
        • MS, MSE - радиально-поршневые гидромоторы серии MS и MSE (альтернатива Poclain)
    • Акционные товары
    • Системы смазки
      • Двухлинейные системы смазки      
        • Станции смазки для двухлинейных систем
    Войти
    0 Избранное
    0 Корзина
    Каталог Каталог Главная Главная Скидки Скидки Портфолио Портфолио Покупки Покупки Собственное производство Собственное производство
    exima.market
    Войти
    0 Избранное
    0 Корзина
    exima.market
    Телефоны
    +7 (952) 241-22-85
    E-mail
    market@exima.pro
    Адрес
    Санкт-Петербург, ул. Новорощинская, д. 4, литер А,
    часть 1Н, № 670 (офис 1023-2)
    Режим работы
    с 9:00 до 18:00
    0
    0
    • Кабинет
    • 0 Избранное
    • 0 Корзина
    • Бренды
    • Услуги
      • Услуги
      • Шеф-монтаж
      • Наладка и регулировка
      • Диагностика гидросистем
      • Техническое обслуживание
    • Компания
      • Компания
      • О компании
      • Блог
        • Блог
        • Блог
      • Нас рекомендуют
    • Блог
      • Блог
      • Блог
    • Информация
      • Информация
      • Реквизиты
      • Представительства
      • Проекты
        • Проекты
        • Реализованные проекты для Северстали
          • Реализованные проекты для Северстали
          • Поставка вальцешлифовального станка
          • Токарно-фрезерный станок
          • Модернизация Системы ГНУ стана 5000
          • Нагревательная печь стана 5000
          • Технологическая линия: АНГА
          • Ножницы продольной резки листа в линии резки стана 5000
          • Клапаны для доменной печи
          • Машины литейного двора доменной печи
          • Вращающийся распределитель шихты
          • Система измерения уровня засыпи доменной печи
          • Маркировщик раскатов в линии стана 5000
        • Реализованные проекты для НЛМК
          • Реализованные проекты для НЛМК
          • Засыпное устройство доменной печи
          • Клапаны для доменной печи
          • Ножницы циркулярные
        • Реализованные проекты для ЦЕМРОС
          • Реализованные проекты для ЦЕМРОС
          • Двигатель горизонтальной мельницы 7000kW для привода цементной мельницы
          • Редуктор вертикальной мельницы
        • Реализованные проекты для Уральской стали
          • Реализованные проекты для Уральской стали
          • Электровоз для КХП (в комплекте с резервным двигателем YVF-110Q)
          • Клапаны для доменной печи
        • Реализованные проекты для ОМК
          • Реализованные проекты для ОМК
          • Рекуператоры для нагревательной печи
          • Рольганг 30 роликов
          • Рольганг 7 роликов
        • Реализованные проекты для Полюс
          • Реализованные проекты для Полюс
          • Поставка редуктора 2Ц3-710 для АО "Полюс Красноярск"
      • Завод ЭПРО
      • Автоматизированные системы на основе ИИ
      • Официальные дилеры
    • Контакты
    +7 (952) 241-22-85
    • Телефоны
    • +7 (952) 241-22-85
    • market@exima.pro
    • Санкт-Петербург, ул. Новорощинская, д. 4, литер А,
      часть 1Н, № 670 (офис 1023-2)
    • с 9:00 до 18:00
    Главная
    Каталог
    Гидравлические устройства управления

    Гидравлические устройства управления

    8810
    Взрывозащищенная гидравлика Взрывозащищенная гидравлика 6 товаров
    Катушки, штекеры, уплотнения для клапанов Катушки, штекеры, уплотнения для клапанов 25 товаров
    Клапаны давления Клапаны давления 618 товаров
    Клапаны расхода Клапаны расхода 243 товара
    Модульные клапаны Модульные клапаны 55 товаров
    Обратные клапаны и гидрозамки Обратные клапаны и гидрозамки 157 товаров
    Плиты гидравлические Плиты гидравлические 77 товаров
    Распределители Распределители 673 товара
    Реле и датчики давления Реле и датчики давления 34 товара
    Сервоклапаны (аналоги MOOG) Сервоклапаны (аналоги MOOG) 2 товара
    Шаровые краны на высокое давление Шаровые краны на высокое давление 53 товара
    Электроника для пропорциональных клапанов Электроника для пропорциональных клапанов 43 товара
    Пропорциональные клапаны Пропорциональные клапаны 1813 товаров
    Логические клапаны LC и LFA Логические клапаны LC и LFA 5011 товаров
    Гидравлические устройства управления
    Сначала популярные
    С начала алфавита
    С конца алфавита
    Сначала непопулярные
    Сначала популярные
    Сначала дешевые
    Сначала дорогие
    Сначала недоступные
    Сначала доступные
    По свойству "Наличие в магазинах" (возрастание)
    По свойству "Наличие в магазинах" (убывание)
    Фильтр
    Сначала популярные
    С начала алфавита
    С конца алфавита
    Сначала непопулярные
    Сначала популярные
    Сначала дешевые
    Сначала дорогие
    Сначала недоступные
    Сначала доступные
    По свойству "Наличие в магазинах" (возрастание)
    По свойству "Наличие в магазинах" (убывание)
    Цена
    9.15
    182 699.15
    365 389.15
    548 078.15
    730 768.40
    Показать
    Бренд
    ? Примечание
    Мы официальный дилер представленных брендов
    Показать
    Типоразмер
    + Еще
    Показать
    Выбрано: 0 Показать
    Выбрано: 0
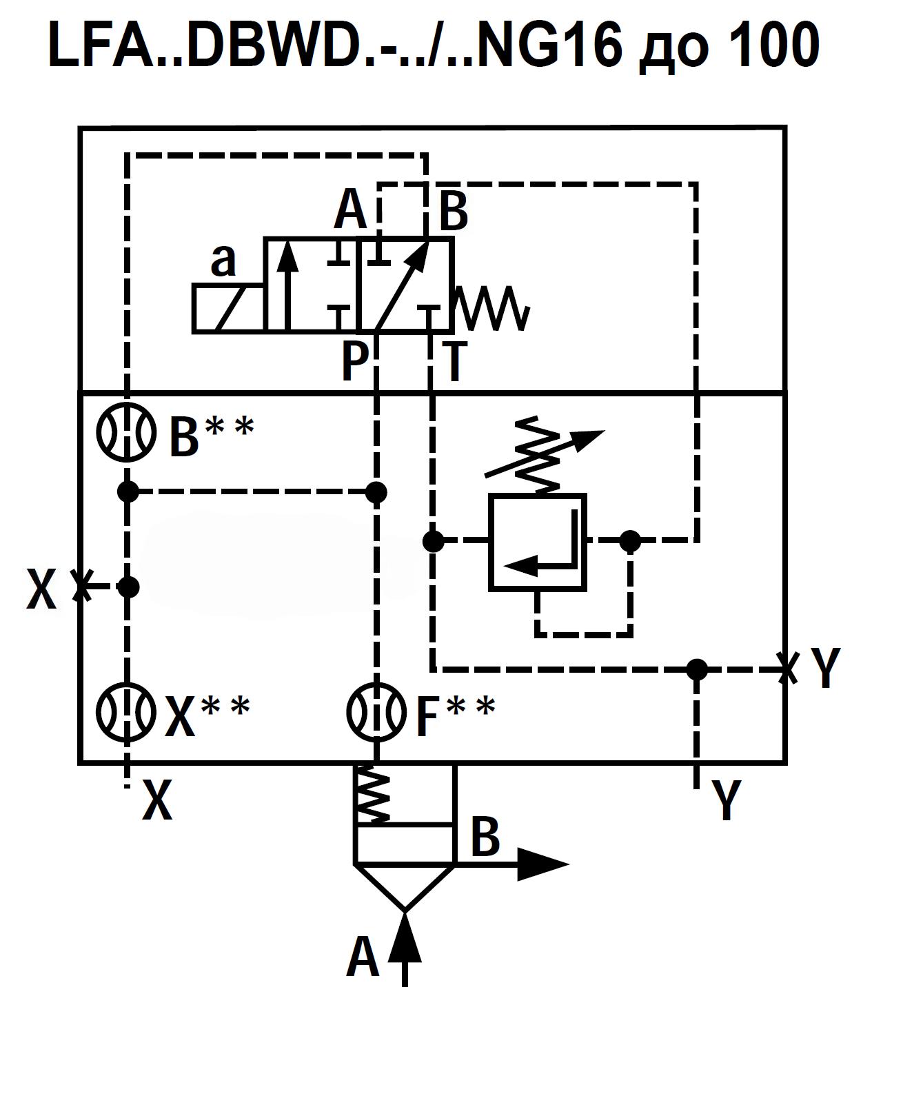
    LFA32DBWD2-7X/100 - Крышка для логического клапана, типоразмер Ду32 функционал - DBWD2 = крышка с предохранительным клапаном с ручной настройкой с функцией запирания, под установку распределителя Ду6, два выхода X и Y, элемент регулировки - винт под шести LFA32DBWD2-7X/100 - Крышка для логического клапана, типоразмер Ду32 функционал - DBWD2 = крышка с предохранительным клапаном с ручной настройкой с функцией запирания, под установку распределителя Ду6, два выхода X и Y, элемент регулировки - винт под шести
    12 973.87 ₽
    LFA32DBWD2-7X/100 - Крышка для логического клапана, типоразмер Ду32 функционал - DBWD2 = крышка с предохранительным клапаном с ручной настройкой с функцией запирания, под установку распределителя Ду6, два выхода X и Y, элемент регулировки - винт под шести
    0
    0
    В наличии: 3
    LFA32DBWD2-7X/100 - Крышка для логического клапана, типоразмер Ду32 функционал - DBWD2 = крышка с предохранительным клапаном с ручной настройкой с функцией запирания, под установку распределителя Ду6, два выхода X и Y, элемент регулировки - винт под шести LFA32DBWD2-7X/100 - Крышка для логического клапана, типоразмер Ду32 функционал - DBWD2 = крышка с предохранительным клапаном с ручной настройкой с функцией запирания, под установку распределителя Ду6, два выхода X и Y, элемент регулировки - винт под шести
    12 973.87 ₽
    LFA32DBWD2-7X/100 - Крышка для логического клапана, типоразмер Ду32 функционал - DBWD2 = крышка с предохранительным клапаном с ручной настройкой с функцией запирания, под установку распределителя Ду6, два выхода X и Y, элемент регулировки - винт под шести
    0
    0
    В наличии: 3
    LFA32DBWD2-7X/100 - Крышка для логического клапана, типоразмер Ду32 функционал - DBWD2 = крышка с предохранительным клапаном с ручной настройкой с функцией запирания, под установку распределителя Ду6, два выхода X и Y, элемент регулировки - винт под шести LFA32DBWD2-7X/100 - Крышка для логического клапана, типоразмер Ду32 функционал - DBWD2 = крышка с предохранительным клапаном с ручной настройкой с функцией запирания, под установку распределителя Ду6, два выхода X и Y, элемент регулировки - винт под шести
    12 973.87 ₽
    LFA32DBWD2-7X/100 - Крышка для логического клапана, типоразмер Ду32 функционал - DBWD2 = крышка с предохранительным клапаном с ручной настройкой с функцией запирания, под установку распределителя Ду6, два выхода X и Y, элемент регулировки - винт под шести
    0
    0
    В наличии: 3
    LFA32DBWD2-7X/100 - Крышка для логического клапана, типоразмер Ду32 функционал - DBWD2 = крышка с предохранительным клапаном с ручной настройкой с функцией запирания, под установку распределителя Ду6, два выхода X и Y, элемент регулировки - винт под шести LFA32DBWD2-7X/100 - Крышка для логического клапана, типоразмер Ду32 функционал - DBWD2 = крышка с предохранительным клапаном с ручной настройкой с функцией запирания, под установку распределителя Ду6, два выхода X и Y, элемент регулировки - винт под шести
    12 973.87 ₽
    LFA32DBWD2-7X/100 - Крышка для логического клапана, типоразмер Ду32 функционал - DBWD2 = крышка с предохранительным клапаном с ручной настройкой с функцией запирания, под установку распределителя Ду6, два выхода X и Y, элемент регулировки - винт под шести
    0
    0
    В наличии: 3
    LFA32DBWD2-7X/050 - Крышка для логического клапана, типоразмер Ду32 функционал - DBWD2 = крышка с предохранительным клапаном с ручной настройкой с функцией запирания, под установку распределителя Ду6, два выхода X и Y, элемент регулировки - винт под шести LFA32DBWD2-7X/050 - Крышка для логического клапана, типоразмер Ду32 функционал - DBWD2 = крышка с предохранительным клапаном с ручной настройкой с функцией запирания, под установку распределителя Ду6, два выхода X и Y, элемент регулировки - винт под шести
    12 973.87 ₽
    LFA32DBWD2-7X/050 - Крышка для логического клапана, типоразмер Ду32 функционал - DBWD2 = крышка с предохранительным клапаном с ручной настройкой с функцией запирания, под установку распределителя Ду6, два выхода X и Y, элемент регулировки - винт под шести
    0
    0
    В наличии: 3
    LFA32DBWD2-7X/050 - Крышка для логического клапана, типоразмер Ду32 функционал - DBWD2 = крышка с предохранительным клапаном с ручной настройкой с функцией запирания, под установку распределителя Ду6, два выхода X и Y, элемент регулировки - винт под шести LFA32DBWD2-7X/050 - Крышка для логического клапана, типоразмер Ду32 функционал - DBWD2 = крышка с предохранительным клапаном с ручной настройкой с функцией запирания, под установку распределителя Ду6, два выхода X и Y, элемент регулировки - винт под шести
    12 973.87 ₽
    LFA32DBWD2-7X/050 - Крышка для логического клапана, типоразмер Ду32 функционал - DBWD2 = крышка с предохранительным клапаном с ручной настройкой с функцией запирания, под установку распределителя Ду6, два выхода X и Y, элемент регулировки - винт под шести
    0
    0
    В наличии: 3
    LFA32DBWD2-7X/050 - Крышка для логического клапана, типоразмер Ду32 функционал - DBWD2 = крышка с предохранительным клапаном с ручной настройкой с функцией запирания, под установку распределителя Ду6, два выхода X и Y, элемент регулировки - винт под шести LFA32DBWD2-7X/050 - Крышка для логического клапана, типоразмер Ду32 функционал - DBWD2 = крышка с предохранительным клапаном с ручной настройкой с функцией запирания, под установку распределителя Ду6, два выхода X и Y, элемент регулировки - винт под шести
    12 973.87 ₽
    LFA32DBWD2-7X/050 - Крышка для логического клапана, типоразмер Ду32 функционал - DBWD2 = крышка с предохранительным клапаном с ручной настройкой с функцией запирания, под установку распределителя Ду6, два выхода X и Y, элемент регулировки - винт под шести
    0
    0
    В наличии: 3
    LFA32DBWD2-7X/050 - Крышка для логического клапана, типоразмер Ду32 функционал - DBWD2 = крышка с предохранительным клапаном с ручной настройкой с функцией запирания, под установку распределителя Ду6, два выхода X и Y, элемент регулировки - винт под шести LFA32DBWD2-7X/050 - Крышка для логического клапана, типоразмер Ду32 функционал - DBWD2 = крышка с предохранительным клапаном с ручной настройкой с функцией запирания, под установку распределителя Ду6, два выхода X и Y, элемент регулировки - винт под шести
    12 973.87 ₽
    LFA32DBWD2-7X/050 - Крышка для логического клапана, типоразмер Ду32 функционал - DBWD2 = крышка с предохранительным клапаном с ручной настройкой с функцией запирания, под установку распределителя Ду6, два выхода X и Y, элемент регулировки - винт под шести
    0
    0
    В наличии: 3
    LFA32DBW2-7X/315 - Крышка для логического клапана, типоразмер Ду32 функционал - DBW2 = крышка с предохранительным клапаном с ручной настройкой с функцией разгрузки, под установку распределителя Ду6, два выхода X и Y, элемент регулировки - винт под шестигр LFA32DBW2-7X/315 - Крышка для логического клапана, типоразмер Ду32 функционал - DBW2 = крышка с предохранительным клапаном с ручной настройкой с функцией разгрузки, под установку распределителя Ду6, два выхода X и Y, элемент регулировки - винт под шестигр
    12 973.87 ₽
    LFA32DBW2-7X/315 - Крышка для логического клапана, типоразмер Ду32 функционал - DBW2 = крышка с предохранительным клапаном с ручной настройкой с функцией разгрузки, под установку распределителя Ду6, два выхода X и Y, элемент регулировки - винт под шестигр
    0
    0
    В наличии: 3
    LFA32DBW2-7X/315 - Крышка для логического клапана, типоразмер Ду32 функционал - DBW2 = крышка с предохранительным клапаном с ручной настройкой с функцией разгрузки, под установку распределителя Ду6, два выхода X и Y, элемент регулировки - винт под шестигр LFA32DBW2-7X/315 - Крышка для логического клапана, типоразмер Ду32 функционал - DBW2 = крышка с предохранительным клапаном с ручной настройкой с функцией разгрузки, под установку распределителя Ду6, два выхода X и Y, элемент регулировки - винт под шестигр
    12 973.87 ₽
    LFA32DBW2-7X/315 - Крышка для логического клапана, типоразмер Ду32 функционал - DBW2 = крышка с предохранительным клапаном с ручной настройкой с функцией разгрузки, под установку распределителя Ду6, два выхода X и Y, элемент регулировки - винт под шестигр
    0
    0
    В наличии: 3
    LFA32DB2-7X/100 - Крышка для логического клапана, типоразмер Ду32 функционал - DB2 = крышка с предохранительным клапаном с ручной настройкой, два выхода X и Y, элемент регулировки - винт под шестигранник с защитным колпачком, диапазон настройки давления д LFA32DB2-7X/100 - Крышка для логического клапана, типоразмер Ду32 функционал - DB2 = крышка с предохранительным клапаном с ручной настройкой, два выхода X и Y, элемент регулировки - винт под шестигранник с защитным колпачком, диапазон настройки давления д
    12 973.87 ₽
    LFA32DB2-7X/100 - Крышка для логического клапана, типоразмер Ду32 функционал - DB2 = крышка с предохранительным клапаном с ручной настройкой, два выхода X и Y, элемент регулировки - винт под шестигранник с защитным колпачком, диапазон настройки давления д
    0
    0
    В наличии: 3
    LFA32DB2-7X/100 - Крышка для логического клапана, типоразмер Ду32 функционал - DB2 = крышка с предохранительным клапаном с ручной настройкой, два выхода X и Y, элемент регулировки - винт под шестигранник с защитным колпачком, диапазон настройки давления д LFA32DB2-7X/100 - Крышка для логического клапана, типоразмер Ду32 функционал - DB2 = крышка с предохранительным клапаном с ручной настройкой, два выхода X и Y, элемент регулировки - винт под шестигранник с защитным колпачком, диапазон настройки давления д
    12 973.87 ₽
    LFA32DB2-7X/100 - Крышка для логического клапана, типоразмер Ду32 функционал - DB2 = крышка с предохранительным клапаном с ручной настройкой, два выхода X и Y, элемент регулировки - винт под шестигранник с защитным колпачком, диапазон настройки давления д
    0
    0
    В наличии: 3
    LFA32DB2-7X/100 - Крышка для логического клапана, типоразмер Ду32 функционал - DB2 = крышка с предохранительным клапаном с ручной настройкой, два выхода X и Y, элемент регулировки - винт под шестигранник с защитным колпачком, диапазон настройки давления д LFA32DB2-7X/100 - Крышка для логического клапана, типоразмер Ду32 функционал - DB2 = крышка с предохранительным клапаном с ручной настройкой, два выхода X и Y, элемент регулировки - винт под шестигранник с защитным колпачком, диапазон настройки давления д
    12 973.87 ₽
    LFA32DB2-7X/100 - Крышка для логического клапана, типоразмер Ду32 функционал - DB2 = крышка с предохранительным клапаном с ручной настройкой, два выхода X и Y, элемент регулировки - винт под шестигранник с защитным колпачком, диапазон настройки давления д
    0
    0
    В наличии: 3
    LFA32DB2-7X/100 - Крышка для логического клапана, типоразмер Ду32 функционал - DB2 = крышка с предохранительным клапаном с ручной настройкой, два выхода X и Y, элемент регулировки - винт под шестигранник с защитным колпачком, диапазон настройки давления д LFA32DB2-7X/100 - Крышка для логического клапана, типоразмер Ду32 функционал - DB2 = крышка с предохранительным клапаном с ручной настройкой, два выхода X и Y, элемент регулировки - винт под шестигранник с защитным колпачком, диапазон настройки давления д
    12 973.87 ₽
    LFA32DB2-7X/100 - Крышка для логического клапана, типоразмер Ду32 функционал - DB2 = крышка с предохранительным клапаном с ручной настройкой, два выхода X и Y, элемент регулировки - винт под шестигранник с защитным колпачком, диапазон настройки давления д
    0
    0
    В наличии: 3
    LFA32DB2-7X/100 - Крышка для логического клапана, типоразмер Ду32 функционал - DB2 = крышка с предохранительным клапаном с ручной настройкой, два выхода X и Y, элемент регулировки - винт под шестигранник с защитным колпачком, диапазон настройки давления д LFA32DB2-7X/100 - Крышка для логического клапана, типоразмер Ду32 функционал - DB2 = крышка с предохранительным клапаном с ручной настройкой, два выхода X и Y, элемент регулировки - винт под шестигранник с защитным колпачком, диапазон настройки давления д
    12 973.87 ₽
    LFA32DB2-7X/100 - Крышка для логического клапана, типоразмер Ду32 функционал - DB2 = крышка с предохранительным клапаном с ручной настройкой, два выхода X и Y, элемент регулировки - винт под шестигранник с защитным колпачком, диапазон настройки давления д
    0
    0
    В наличии: 3
    LFA32DB2-7X/100 - Крышка для логического клапана, типоразмер Ду32 функционал - DB2 = крышка с предохранительным клапаном с ручной настройкой, два выхода X и Y, элемент регулировки - винт под шестигранник с защитным колпачком, диапазон настройки давления д LFA32DB2-7X/100 - Крышка для логического клапана, типоразмер Ду32 функционал - DB2 = крышка с предохранительным клапаном с ручной настройкой, два выхода X и Y, элемент регулировки - винт под шестигранник с защитным колпачком, диапазон настройки давления д
    12 973.87 ₽
    LFA32DB2-7X/100 - Крышка для логического клапана, типоразмер Ду32 функционал - DB2 = крышка с предохранительным клапаном с ручной настройкой, два выхода X и Y, элемент регулировки - винт под шестигранник с защитным колпачком, диапазон настройки давления д
    0
    0
    В наличии: 3
    LFA25DRW2-7X/210 - Крышка для логического клапана, типоразмер Ду25 функционал - DRW2 = крышка с редукционным клапаном с ручной настройкой с функцией запирания, под установку распределителя Ду6, три выхода Z2, X и Y, элемент регулировки - винт под шестигра LFA25DRW2-7X/210 - Крышка для логического клапана, типоразмер Ду25 функционал - DRW2 = крышка с редукционным клапаном с ручной настройкой с функцией запирания, под установку распределителя Ду6, три выхода Z2, X и Y, элемент регулировки - винт под шестигра
    30 233.38 ₽
    LFA25DRW2-7X/210 - Крышка для логического клапана, типоразмер Ду25 функционал - DRW2 = крышка с редукционным клапаном с ручной настройкой с функцией запирания, под установку распределителя Ду6, три выхода Z2, X и Y, элемент регулировки - винт под шестигра
    0
    0
    В наличии: 3
    LFA25DRW2-7X/210 - Крышка для логического клапана, типоразмер Ду25 функционал - DRW2 = крышка с редукционным клапаном с ручной настройкой с функцией запирания, под установку распределителя Ду6, три выхода Z2, X и Y, элемент регулировки - винт под шестигра LFA25DRW2-7X/210 - Крышка для логического клапана, типоразмер Ду25 функционал - DRW2 = крышка с редукционным клапаном с ручной настройкой с функцией запирания, под установку распределителя Ду6, три выхода Z2, X и Y, элемент регулировки - винт под шестигра
    30 233.38 ₽
    LFA25DRW2-7X/210 - Крышка для логического клапана, типоразмер Ду25 функционал - DRW2 = крышка с редукционным клапаном с ручной настройкой с функцией запирания, под установку распределителя Ду6, три выхода Z2, X и Y, элемент регулировки - винт под шестигра
    0
    0
    В наличии: 3
    LFA25DRW2-7X/210 - Крышка для логического клапана, типоразмер Ду25 функционал - DRW2 = крышка с редукционным клапаном с ручной настройкой с функцией запирания, под установку распределителя Ду6, три выхода Z2, X и Y, элемент регулировки - винт под шестигра LFA25DRW2-7X/210 - Крышка для логического клапана, типоразмер Ду25 функционал - DRW2 = крышка с редукционным клапаном с ручной настройкой с функцией запирания, под установку распределителя Ду6, три выхода Z2, X и Y, элемент регулировки - винт под шестигра
    30 233.38 ₽
    LFA25DRW2-7X/210 - Крышка для логического клапана, типоразмер Ду25 функционал - DRW2 = крышка с редукционным клапаном с ручной настройкой с функцией запирания, под установку распределителя Ду6, три выхода Z2, X и Y, элемент регулировки - винт под шестигра
    0
    0
    В наличии: 3
    LFA25DRW2-7X/210 - Крышка для логического клапана, типоразмер Ду25 функционал - DRW2 = крышка с редукционным клапаном с ручной настройкой с функцией запирания, под установку распределителя Ду6, три выхода Z2, X и Y, элемент регулировки - винт под шестигра LFA25DRW2-7X/210 - Крышка для логического клапана, типоразмер Ду25 функционал - DRW2 = крышка с редукционным клапаном с ручной настройкой с функцией запирания, под установку распределителя Ду6, три выхода Z2, X и Y, элемент регулировки - винт под шестигра
    30 233.38 ₽
    LFA25DRW2-7X/210 - Крышка для логического клапана, типоразмер Ду25 функционал - DRW2 = крышка с редукционным клапаном с ручной настройкой с функцией запирания, под установку распределителя Ду6, три выхода Z2, X и Y, элемент регулировки - винт под шестигра
    0
    0
    В наличии: 3
    1 ... 427 428 429 430 431 ... 441
    Категория
    • Гидравлические устройства управления
      • Взрывозащищенная гидравлика
      • Катушки, штекеры, уплотнения для клапанов
        • Комплекты уплотнения для распределителей 4WE и 4WEH
        • Электромагниты для распределителей WE6 и WE10
        • Электроразъемы для гидравлических клапанов
      • Клапаны давления
        • Клапаны последовательности
          • DZ10, DZ20, DZ30 - Клапан последовательности непрямого действия Ду10 - Ду32
          • DZ10DP - Клапан последовательности Ду 10 прямого действия
          • DZ6DP - Клапан последовательности Ду 6 прямого действия
        • Предохранительные гидравлические клапаны
          • DA(W)10, DA(W)20, DA(W)30 - Разгрузочный предохранительный клапан Ду10 - Ду32
          • DA6 - Разгрузочный предохранительный клапан Ду6
          • DB(W)10, DB(W)20, DB(W)30 - Предохранительный клапан непрямого действия Ду10 - Ду32 без и с разгрузкой
          • DB6K, DB10K, DB20K - Предохранительный клапан непрямого управления Ду6 - Ду20 картриджного монтажа
          • DBA(W)15 - Предохранительный блок насоса Ду16 без и с разгрузкой
          • DBD - Предохранительный клапан прямого управления Ду6 - Ду30
          • PHF - Подпорно-тормозной клапан Ду6, Ду10 модульного монтажа
          • SAF - Предохранительный блок гидроаккумулятора
          • ZDB10, Z2DB10 - Предохранительный клапан Ду 10 модульного монтажа
          • ZDB16, ZDB22, Z2DB16, Z2DB22 - Предохранительный клапан Ду16 и Ду25 модульного монтажа
          • ZDB6, Z2DB6 - Предохранительный клапан Ду 6 модульного монтажа
        • Редукционные клапаны
          • 3DR10, 3DR16 - Редукционный клапан непрямого действия трехлинейный Ду10 и Ду16 (CETOP)
          • DR10, DR20, DR30 - Редукционный клапан Ду10 - Ду32 непрямого действия
          • DR10DP - Редукционный клапан Ду 10 трехлинейный, прямого действия
          • DR10K, DR20K - Редукционный клапан Ду10, Ду20 двухлинейный непрямого действия картриджного и притычного монтажа
          • DR6DP - Редукционный клапан Ду 6 трехлинейный, прямого действия
          • ZDC - Компенсатор давления Ду6 - Ду32
          • ZDR10D - Редукционный клапан Ду 10 трехлинейный модульного монтажа
          • ZDR6D - Редукционный клапан Ду 6 трехлинейный модульного монтажа
      • Клапаны расхода
        • Дроссели гидравлические
          • DV, DRV - Дроссель трубного монтажа Ду6 - Ду30 с рукояткой
          • DVP, DRVP - Дроссель притычного монтажа Ду6 - Ду40 с рукояткой
          • MG, MK - Дроссель трубного монтажа Ду6 - Ду32
          • STB, STU - Дроссели трубного монтажа
          • Z2FS10 - Дроссель Ду 10 модульного монтажа
          • Z2FS16 - Дроссель Ду 16 модульного монтажа, сдвоенный
          • Z2FS22 - Дроссель Ду 25 модульного монтажа, сдвоенный
          • Z2FS6 - Дроссель Ду 6 модульного монтажа
        • Регуляторы потока
          • 2FRM10, 2FRM16 - Регулятор расхода Ду10 и Ду16 для монтажа на плиту
          • 2FRM6 - Регулятор расхода Ду 6 для монтажа на плиту
          • Z2FRM10 - Регулятор расхода Ду 10 модульного монтажа
          • Z2FRM6 - Регулятор расхода Ду 6 модульного монтажа
          • Тормозной клапан FD
      • Модульные клапаны
      • Обратные клапаны и гидрозамки
        • Гидрозамки
          • SL, SV - Гидрозамок Ду10, Ду20, Ду30
          • SL6, SV6 - Гидрозамок для установки на плиту Ду6
          • Z2S10 - Гидрозамок модульного монтажа Ду10
          • Z2S16 - Гидрозамок модульного монтажа Ду16
          • Z2S22 - Гидрозамок модульного монтажа Ду25
        • Обратные клапаны
          • M-SR - Обратный клапан картриджного монтажа Ду8 - Ду30
          • RVP - Обратный клапан для монтажа на плиту Ду6 — Ду30
          • S10P, S20P, S30P – Обратный клапан для монтажа на плиту Ду10, Ду20, Ду30
          • S6…S30A - Обратный клапан трубного монтажа Ду6 — Ду30 (модель S)
          • VU - Обратный клапан трубного монтажа
          • Z1S10 - Обратный клапан модульного монтажа Ду10
          • Z1S6 - Обратный клапан модульного монтажа Ду6
          • Z4S6, Z4S10, Z4S16 - Выпрямительная плита-проставка (схема Греца) для регуляторов расхода Ду6-Ду16
      • Плиты гидравлические
      • Распределители
        • 4WE10 - Гидрораспределитель золотниковый Ду 10 с электроуправлением
        • 4WE10 (серия 5X) - Гидрораспределитель золотниковый Ду 10 с электроуправлением
        • 4WE4 - Гидрораспределитель золотниковый Ду 4 с электроуправлением
        • 4WE5 - Гидрораспределитель золотниковый Ду 5 с электроуправлением
        • 4WE6 - Гидрораспределитель золотниковый Ду 6 с электроуправлением
        • 4WEH,,,- Гидрораспределитель с электроуправлением Ду10 - Ду32
        • 4WEH...- Гидрораспределитель с электроуправлением Ду10 - Ду32
        • 4WEMM6,10 - Гидрораспределители золотниковые Ду6, 10 с электроуправлением и ручным управлением рычагом
        • 4WMM10 - Гидрораспределитель Ду 10 с ручным управлением
        • 4WMM16, 4WMM25, 4WMM32 - Гидрораспределитель Ду 16, Ду 25 и Ду 32 с ручным управлением
        • 4WMM6 - Гидрораспределитель Ду 6 с ручным управлением
        • M-3SED10, M-4SED10 - Гидрораспределитель седельного типа Ду 10 с электроуправлением (на 350 бар)
        • M-3SED6, M-4SED6 - Гидрораспределитель седельного типа Ду 6 с электроуправлением (на 350 бар)
        • M-3SEW10, M-4SEW10 - Гидрораспределитель седельного типа Ду 10 с электроуправлением (на 420 и 630бар)
        • M-3SEW6, M-4SEW6 - Гидрораспределитель седельного типа Ду 6 с электроуправлением (на 420 и 630бар)
        • Гидравлические распределители различных модификаций
      • Реле и датчики давления
        • HED4 - Реле давление поршневое
        • HED8 - Реле давление поршневое
        • HSZ06, HSZ10 - Плита модульная для реле давления HED8
        • Датчики давления
      • Сервоклапаны (аналоги MOOG)
      • Шаровые краны на высокое давление
        • AF6 - запорный кран для манометра
        • Краны для манометра
        • Шаровой кран 2/2
        • Шаровой кран 2/2 на плиту
        • Шаровой кран 3/2
        • Шаровой кран 4/3
      • Электроника для пропорциональных клапанов
        • Диагностика пропорциональных клапанов
        • Усилители внешние
        • Усилители встроенные (OBE)
      • Пропорциональные клапаны
        • Пропорциональные гидрораспределители
          • 4WRA, 4WRAE - Пропорциональный распределитель Ду 6 и Ду 10 без и со встроенным усилителем
          • 4WRE и 4WREE - Пропорциональный распределитель Ду 6 и Ду 10 с обратной связью по положению золотника без и со встроенным усилителем
          • 4WRKE - Пропорциональный распределитель Ду10 - Ду32 с обратной связью по положению золотника и со встроенным усилителем (OBE)
          • 4WRLE - Пропорциональный сервораспределитель Ду10 - Ду25 с обратной связью по положению золотника и со встроенным усилителем (OBE)
          • 4WRPEH10 - Сервораспределитель Ду10 с обратной связью по положению золотника и встроенным усилителем (OBE)
          • 4WRPEH6 - Сервораспределитель Ду6 с обратной связью по положению золотника и встроенным усилителем (OBE)
          • 4WRPH10 - Сервораспределитель Ду10 с обратной связью по положению золотника без встроенной электроники
          • 4WRPH6 - Сервораспределитель Ду6 с обратной связью по положению золотника без встроенной электроники
          • 4WRTE - Пропорциональный быстродействующий распределитель Ду10 - Ду32 с обратной связью по положению золотника и со встроенным усилителем (OBE)
          • 4WRZ(E) - Пропорциональный распределитель Ду10 – Ду32 без и со встроенным усилителем (OBE)
        • Пропорциональные клапаны давления
          • (Z)DBE6 и (Z)DBEE6 - Пропорциональный предохранительный клапан Ду6, серии 1X
          • (Z)DRE6 и (Z)DREE6 - Пропорциональный редукционный клапан Ду6
          • 3DRE(M) и 3DRE(M)E - Пропорциональный трехлинейный редукционный клапан Ду10, Ду16 без и со встроенным усилителем (OBE)
          • 3DREP - Пропорциональный редукционный клапан Ду 6 трехлинейный (пилот) без и со встроенным усилителем
          • DBEM(E)10, DBEM(E)20, DBEM(E)30 - Пропорциональный предохранительный клапан Ду10 – Ду32 без и со встроенным усилителем (OBE)
          • DBET(E) - Пропорциональный предохранительный клапан Ду6 (пилот)
          • DBETX - Пропорциональный предохранительный клапан
          • DREM(E)10, DREM(E)20 - Пропорциональный редукционный клапана Ду10, Ду25 без и со встроенным усилителем (OBE) и предохранительным клапаном
          • ZDRE10 и ZDREE10 - Пропорциональный редукционный клапан Ду10
        • Пропорциональные регуляторы расхода
          • 2FRE10, 2FRE16 - Пропорциональный регулятор расхода Ду10, Ду16
          • 2FRE6 - Пропорциональный регулятор расхода Ду6
          • 2WRCE - Пропорциональный быстродействующий регулятор потока Ду32 - Ду63
      • Логические клапаны LC и LFA
        • LC картридж - предохранительные клапаны
        • LC картридж - распределители
        • LC картридж - редукционные клапаны
        • LFA крышка - клапаны давления
        • LFA крышка - распределители
        • LFA крышка - с датчиками (конечными выключателями)
    Подписаться
    на новости и акции
    Связаться с нами
    +7 (952) 241-22-85
    +7 (952) 241-22-85
    E-mail
    market@exima.pro
    Адрес
    Санкт-Петербург, ул. Новорощинская, д. 4, литер А,
    часть 1Н, № 670 (офис 1023-2)
    Режим работы
    с 9:00 до 18:00
    market@exima.pro
    Санкт-Петербург, ул. Новорощинская, д. 4, литер А,
    часть 1Н, № 670 (офис 1023-2)
    Интернет-магазин
    Каталог
    Бренды
    Услуги
    Компания
    О компании
    Блог
    Нас рекомендуют
    Информация
    Реквизиты
    Представительства
    Проекты
    Завод ЭПРО
    Автоматизированные системы на основе ИИ
    Официальные дилеры
    Покупки
    Оплата
    Доставка
    Гарантия
    © 2026 Exima Маркет
    Конфиденциальность
    Оферта

    На информационном ресурсе применяются рекомендательные технологии.

    Все ресурсы сайта www.exima.market, включая (но не ограничиваясь) текстовую, графическую, фотографическую и видео информацию, структуру, дизайн и оформление страниц, доменное имя, фирменное наименование являются объектами авторского права и прав на интеллектуальную собственность, защищены российским законодательством и международными соглашениями об охране авторских прав. Запрещается любое использование содержания страниц и контента данного сайта на других площадках без предварительного согласия правообладателя. Запрещаются любые иные действия, в результате которых у пользователей Интернета может сложиться впечатление, что представленные материалы не имеют отношения к www.exima.market.

    Главная Каталог 0 Корзина 0 Избранные Кабинет Контакты Услуги Бренды Отзывы Компания Документы Реквизиты Блог